

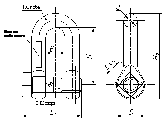
|
Допустимая нагрузка, кН (тс) |
Размеры в мм |
Масса кг, не более |
|||||||
| S | H | Ho | B | L1 | D | d | d1 | ||
| 4 (0,4) | 12 | 45 | 63 | 16 | 42 | 20 | 8 | 12 | 0,10 |
| 6 (0,6) | 14 | 50 | 72 | 20 | 50 | 24 | 10 | 14 | 0,17 |
| 10 (1,0) | 17 | 60 | 87 | 24 | 62 | 28 | 13 | 16 | 0,32 |
| 16 (1,6) | 22 | 70 | 103,5 | 27 | 71 | 35 | 16 | 20 | 0,58 |
| 25 (2,5) | 24 | 80 | 120 | 30 | 85 | 42 | 19 | 24 | 0,99 |
| 32 (3,3) | 27 | 90 | 134,5 | 33 | 94 | 45 | 22 | 26 | 1,29 |
| 40 (4,1) | 30 | 100 | 149 | 35 | 102 | 50 | 24 | 29 | 1,82 |
| 63 (6,4) | 36 | 112 | 168 | 38 | 116 | 56 | 28 | 32 | 2,70 |
| 80 (8,2) | 36 | 124 | 186 | 42 | 124 | 64 | 30 | 39 | 3,49 |
| 100 (10,2) | 41 | 135 | 202 | 46 | 134 | 68 | 33 | 39 | 4,61 |
| 125 (12,7) | 41 | 148 | 221 | 50 | 147 | 74 | 36 | 42 | 6,03 |
| 160 (16,3) | 50 | 160 | 242 | 55 | 160 | 84 | 40 | 48 | 8,15 |
| 200 (20,4) | 50 | 170 | 260 | 60 | 175 | 90 | 45 | 51 | 10,75 |


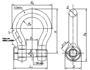
|
Допустимая нагрузка, кН (тс) |
Размеры в мм |
Масса кг, не более |
||||||||
| S | Н | Ho | B1 | B2 | D | R0 | d | d1 | ||
| 10 (1,0) | 19 | 92,8 | 125 | 30,5 | 92 | 32 | 30 | 16 | 18 | 0,58 |
| 16 (1,6) | 22 | 109,6 | 150 | 35,6 | 110 | 40 | 35 | 20 | 22 | 1,09 |
| 25 (2,5) | 27 | 126,4 | 175 | 40,6 | 130 | 48 | 40 | 25 | 26 | 1,95 |
| 40 (4,1) | 32 | 145,2 | 205 | 45,7 | 150 | 60 | 45 | 30 | 32 | 3,41 |
| 63 (6,4) | 41 | 163,0 | 234 | 50,8 | 172 | 70 | 50 | 36 | 39 | 5,46 |
| 80 (8,2) | 41 | 175,8 | 247 | 55,9 | 182 | 70 | 55 | 36 | 39 | 5,77 |
| 100 (10,2) | 41 | 185,5 | 262 | 58,9 | 196 | 74 | 58 | 40 | 42 | 7,57 |
| 125 (12,7) | 46 | 198,7 | 283 | 63,0 | 212 | 80 | 62 | 44 | 45 | 9,40 |
| 160 (16,3) | 50 | 210,4 | 302 | 66,0 | 226 | 88 | 65 | 48 | 51 | 12,22 |
=============================================================================================================
ОАО «Красный якорь»
Скобы промысловые
предназначены для
использования в орудиях лова и промысловых устройствах на судах рыбодобывающей
промышленности .
Подразделяются на типы:
Типа ПА- прямая с квадратной головкой штыря
Типа ПВ- фигуральная с квадратной головкой штыря


_____________________________________________________________________________________________________________
Скобы такелажные
применяются в судовых устройствах кораблей, судов и
плавучих средств; для быстрого и надежного соединения в различных такелажных
устройствах и приспособлениях. Область применнения не ограничена.

=============================================================================================================
Скобы импортные
